Vai prestar o concurso público da Caixa Econômica Federal (ou outro certame para Engenheiro Eletricista)? Você está no lugar certo. Esta é a terceira parte da nossa série de resoluções: aqui resolvemos 5 novos exercícios, passo a passo, com explicações claras e foco totalmente prático.
O que você vai encontrar neste post
- ✅ 5 questões resolvidas da prova da Caixa (explicadas detalhadamente)
- ✅ Metodologia passo a passo: raciocínio, fórmulas e atalhos para resolver rápido
- ✅ Conceitos fundamentais de engenharia elétrica relembrados quando necessários
- ✅ Dicas de prova e estratégias aplicáveis a diversos concursos públicos
Por que este material é essencial
Praticar com provas anteriores é a forma mais eficiente de passar em concursos. Este conteúdo não só mostra as respostas, mas ensina a lógica de resolução — o que você poderá reutilizar em outras provas de engenheiro eletricista.
Dica: revisite essas resoluções sempre que quiser reforçar técnicas ou entender um tema específico.
Próximos passos
- 🔁 Não leu a resolução dos exercícios anterios? Acesse: [Parte 1] e [Parte 2].
- 📚 Quer ver todos os nossos exercícios resolvidos? Confira a sessão com todos os exercícios resolvidos para estudar de forma organizada.
QUESTÃO 24
O funcionamento adequado dos dispositivos de proteção do tipo diferencial-residual depende diretamente do esquema de aterramento utilizado na instalação elétrica.
Qual esquema de aterramento impossibilita o funcionamento adequado dos dispositivos de proteção do tipo diferencial-residual?
(A) IT
(B) TN-C
(C) TN-C-S
(D) TN-S
(E) TT
RESOLUÇÃO:
1 – Como funciona um dispositivo diferencial-residual (DR / RCD):
O DR mede a soma vetorial das correntes que passam pelos condutores protegidos (fases e, quando presente, o neutro). Em condições normais essa soma é zero: a corrente que sai por uma fase retorna pelo neutro. Se houver fuga à terra (por exemplo, uma pessoa tocando uma fase), parte da corrente não retorna pelo neutro/fases e o DR detecta a diferença (residual) e desarma.
2 – O que exige o DR para detectar fugas:
Para que o DR funcione corretamente, todo o retorno de corrente do circuito protegido (tanto o retorno normal pelo neutro quanto qualquer corrente de fuga à terra) deve passar pelo sensor do dispositivo. Ou seja, deve haver condutores separados e todos eles atravessarem o sensor.
3 – Características do esquema TN-C:
No esquema TN-C o condutor neutro (N) e o condutor de proteção (PE) são combinados num único condutor PEN ao longo de parte ou de toda a instalação. Ou seja, não existe um condutor PE separado do neutro.
4 – Por que o TN-C impossibilita o funcionamento adequado do DR:
- Como não há PE separado, correntes de fuga para massa/terra podem retornar por caminhos que não atravessam o sensor do DR instalado na entrada do quadro (por exemplo, via PEN, aterramentos externos ou conexões fora do circuito protegido).
- Além disso, qualquer ligação entre neutro e terra a montante ou a jusante do DR (comum em TN-C) provoca desequilíbrios ou retornos que o DR não consegue distinguir corretamente, levando a funcionamento indevido ou à incapacidade de detectar falhas à terra.
- Em resumo: nem toda a corrente de fuga fica “visível” para o DR, logo ele pode não disparar quando deveria — situação perigosa.
5 – Comparação rápida com os outros esquemas citados:
- TN-S: N e PE separados — o DR funciona corretamente.
- TN-C-S: há uma parte com PEN combinada (na rede) mas N e PE são separados na instalação do cliente — o DR no quadro do cliente funciona porque, a partir do ponto de separação, todos os condutores protegidos passam pelo sensor.
- TT: o consumidor tem terra própria (elevada resistência de terra em muitos casos) — o DR é recomendado e funciona bem (é usualmente exigido).
- IT: sistema isolado ou com aterramento através de alta impedância — fugas à terra são detectáveis pelo DR e, portanto, também pode funcionar (e é comumente usado para detecção de primeira falta).
6 – Conclusão prática:
Pelo fato de o esquema TN-C não possuir condutor de proteção separado (PE) e usar o condutor PEN combinado, o dispositivo diferencial-residual fica impedido de monitorar corretamente todas as correntes de retorno e fugas, tornando seu funcionamento adequado impossível ou muito inseguro naquele esquema
✅ Resposta Correta: Letra B.
QUESTÃO 25
A energia elétrica, nas áreas rurais, traz benefícios, tais como a redução do êxodo rural, o aumento da quantidade e da qualidade da produção rural e a ampliação do mercado consumidor de energia.
Diversos estudos analisam a melhor forma de suprimento de energia elétrica nas áreas rurais, abordando a eletrificação rural descentralizada como opção no atendimento energético dessas áreas.
O que gera o questionamento quanto ao fornecimento de energia elétrica das áreas rurais apenas pelas plantas de geração centralizada e distribuída por redes?
(A) O consumo excessivo de correntes harmônicas e/ou de potência reativa das cargas rurais.
(B) Os tipos de cargas rurais, que não seguem o padrão de energia fornecido pelas plantas de geração centralizada.
(C) A rejeição da população rural ao consumo da energia elétrica provinda dos grandes centros urbanos.
(D) A inviabilidade técnico-econômica de transporte e distribuição da energia frente à baixa demanda das áreas rurais.
(E) As acentuadas depredações das instalações elétricas devido às condições ambientais das áreas rurais.
RESOLUÇÃO:
A questão fala sobre eletrificação rural e menciona que muitos estudos analisam a eletrificação descentralizada como alternativa — ou seja, pequenas usinas próximas aos consumidores (geração distribuída), como:
- micro hidrelétricas
- painéis solares
- pequenas eólicas
- biomassa
- sistemas híbridos com armazenamento
A dúvida é: por que existe esse questionamento sobre fornecer energia rural apenas com grandes usinas centralizadas e redes de transmissão/distribuição?
Vamos analisar a lógica:
🔍 1. Nas áreas rurais, a densidade populacional é muito baixa
Ou seja:
- poucos consumidores
- muito distantes uns dos outros
Isso gera longas linhas de distribuição para atender poucas casas, o que aumenta muito os custos do sistema.
🔧 2. O custo da rede é alto e o consumo é baixo
Para levar energia de uma planta centralizada até áreas remotas, a concessionária precisa construir:
- postes
- condutores
- transformadores
- equipamentos de proteção
- manutenção permanente
Esses elementos custam caro, e com poucos consumidores, o retorno financeiro é baixo.
Assim, surge a inviabilidade técnico-econômica, porque:
→ O custo por consumidor fica altíssimo.
→ A concessionária não se paga com a tarifa.
→ A obra pode ser tecnicamente difícil devido à geografia.
Por isso, surgem alternativas descentralizadas, que podem ser mais baratas e mais adequadas.
❌ Por que as outras alternativas não fazem sentido?
(A) Consumo excessivo de correntes harmônicas e potência reativa
As cargas rurais não têm esse problema de forma relevante. Não é o ponto central da eletrificação rural.
(B) Cargas rurais não seguem o padrão da energia fornecida
Também é falso. As cargas rurais são cargas elétricas comuns (motores, bombas, iluminação).
(C) Rejeição da população rural
Totalmente fora do contexto técnico.
(E) Depredações por condições ambientais
Apesar de existirem intempéries, isso não é o principal problema nem é o foco dos estudos citados.
🎯 Conclusão
A grande barreira da eletrificação rural usando somente grandes usinas e longas redes é:
👉 o custo altíssimo e a dificuldade técnica para levar energia a pontos muito dispersos, com baixa densidade de consumo.
✅ Resposta Correta: Letra D.
QUESTÃO 26
A ANEEL é responsável por regulamentar a tarifação da energia elétrica, garantindo que o consumidor pague um valor justo pela energia consumida, como também garantindo o equilíbrio econômico-financeiro da concessionária. Dessa forma, dois grandes grupos de consumidores estruturam a tarifação de energia elétrica dos consumidores finais. Esses grupos são definidos como “grupo A” e “grupo B”. O que diferencia o “grupo A” do “grupo B”?
(A) O nível de potência ativa consumida
(B) O nível de potência reativa consumida
(C) O nível de tensão de atendimento
(D) Os consumidores do tipo residencial e os demais consumidores
(E) Os órgãos públicos e os demais consumidores
RESOLUÇÃO:
A ANEEL divide os consumidores em Grupo A e Grupo B para fins de tarifação. Essa divisão não é baseada em tipo de consumidor (residencial, comercial, industrial), nem em potência, mas sim no nível de tensão em que a distribuidora atende o consumidor.
⚡ Grupo A – Alta tensão
Consumidores atendidos em tensões iguais ou superiores a 2,3 kV, geralmente através de transformadores próprios.
Características:
- Tarifação binômia (cobram energia + demanda contratada)
- Perfis típicos: indústrias, shoppings, grandes comércios, irrigantes, grandes consumidores
Faixas do Grupo A:
- A1: 230 kV ou mais
- A2: 88 a 138 kV
- A3: 69 kV
- A3a: 30 a 44 kV
- A4: 2,3 a 25 kV
🔌 Grupo B – Baixa tensão
Consumidores atendidos abaixo de 2,3 kV (normalmente 127 V, 220 V, 380 V etc.).
Características:
- Tarifação monômia (cobra-se apenas energia consumida)
- Perfis típicos: residências, pequenos comércios, iluminação pública e rural
Subgrupos:
- B1: residencial
- B2: rural
- B3: demais consumidores
- B4: iluminação pública
❌ Por que as outras alternativas estão incorretas?
(A) Potência ativa consumida
Não define o grupo. Um consumidor pequeno pode estar no Grupo A se for atendido em alta tensão.
(B) Potência reativa
Também não define grupo de tarifação.
(D) Residencial x demais
Residencial pertence ao subgrupo B1, mas isso não define Grupo A ou B.
(E) Órgãos públicos
Órgãos públicos podem ser do Grupo A ou B, dependendo da tensão de atendimento.
🎯 Conclusão
A diferença fundamental entre o Grupo A e o Grupo B é:
👉 O nível de tensão em que o consumidor é atendido.
✅ Resposta Correta: Letra C.
QUESTÃO 27
O uso de energia elétrica de forma consciente visa ao melhor aproveitamento de energia como forma de reduzir os impactos ambientais de geração.
Programas de apoio ao uso eficiente de energia elétrica, tal como o Programa de Combate ao Desperdício de Energia Elétrica (Procel), incentivam práticas que auxiliam o uso da energia elétrica de forma econômica.
Com relação às práticas recomendadas para o uso eficiente de energia elétrica, considere as afirmativas abaixo.
I – A parte traseira da geladeira ou freezer nunca deve ser utilizada para secar roupas
II – Quando utilizar máquina de lavar roupas, realize diversas lavagens com pouca roupa ao invés de acumulá-las até a capacidade máxima indicada pelo fabricante.
III – Instalações com tensão em 220 V gastam menos energia que as instalações com tensão em 127 V, e, portanto, as primeiras devem ser priorizadas.
Está correto APENAS o que se afirma em
(A) I
(B) II
(C) III
(D) I e III
(E) II e III
RESOLUÇÃO:
Vamos avaliar cada uma com base no que realmente gera economia de energia segundo programas como o Procel, Eficiente Brasil, ANEEL e boas práticas técnicas.
✅ Afirmativa I – CORRETA
“A parte traseira da geladeira ou freezer nunca deve ser utilizada para secar roupas.”
✔ Verdade.
A parte traseira (serpentina ou condensador) já dissipa calor naturalmente.
Se você colocar roupas ali:
- dificulta a ventilação
- aumenta a temperatura do condensador
- o compressor trabalha mais
- aumenta o consumo de energia
- reduz a vida útil da geladeira
É uma recomendação clássica de uso eficiente.
❌ Afirmativa II – INCORRETA
“Quando usar máquina de lavar, fazer várias lavagens com pouca roupa em vez de usar capacidade máxima.”
❌ Errado.
A recomendação oficial é justamente o oposto:
👉 Use a máquina sempre próxima da capacidade máxima indicada, pois:
- cada ciclo consome energia fixa para motor, bomba, controle e aquecimento (quando houver);
- fazer várias lavagens pequenas aumenta significativamente o consumo total.
Portanto, a afirmativa II contraria as recomendações de eficiência energética.
❌ Afirmativa III – INCORRETA
“Instalações em 220 V gastam menos energia que as em 127 V.”
❌ Errado.
A energia consumida depende da potência do aparelho, não da tensão da instalação.
- A equação que importa é P = V × I, e a energia é E = P × t.
- Um equipamento de 1000 W consumirá 1000 W tanto em 127 V quanto em 220 V.
- A diferença é apenas que no 220 V a corrente é menor, reduzindo quedas de tensão e risco de aquecimento de cabos — mas o consumo não muda.
Portanto, é mito que 220 V economiza energia.
🎯 Conclusão
A única afirmativa correta é:
👉 I
✅ Resposta Correta: Letra A.
QUESTÃO 28

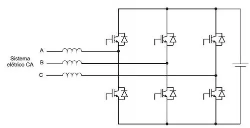
A figura acima mostra um circuito com um inversor trifásico conectado a uma fonte de tensão contínua, sendo seus terminais de saída A, B e C conectados a um sistema elétrico de corrente alternada (Sistema elétrico CA). A esse respeito, considere as afirmativas abaixo.
I – Só pode haver fluxo de potência ativa da fonte de tensão contínua para o sistema elétrico CA.
II – Para que o inversor funcione adequadamente, o valor de pico das tensões no sistema elétrico CA deve ser maior que o valor da tensão da fonte de tensão contínua.
III – O inversor pode fornecer potência não ativa, proveniente de reativos e harmônicos, para o sistema elétrico CA.
Está correto APENAS o que se afirma em
(A) I
(B) II
(C) III
(D) I e II
(E) II e III
RESOLUÇÃO:
I — “Só pode haver fluxo de potência ativa da fonte DC para o sistema CA.” → FALSA
Um inversor controlado pode operar tanto injetando potência ativa do barramento DC para a rede (modo inversor) quanto retornando potência da rede para o barramento DC (modo retificador ativo), por exemplo para carregar baterias ou alimentar filtros DC. O sentido de fluxo ativo depende do controle e das condições de operação; portanto não é verdade que o fluxo só pode ser num sentido.
II — “Para que o inversor funcione adequadamente, o valor de pico das tensões no sistema CA deve ser maior que o valor da tensão da fonte DC.” → FALSA
Na prática é o contrário: a tensão do barramento DC limita a amplitude máxima que o inversor pode sintetizar no lado CA. Para um inversor bidirecional tipo ponte a dois níveis com modulação senoidal, a amplitude de fase fundamental máxima (com índice de modulação m=1) é aproximadamente
Ou seja, a tensão DC precisa ser suficientemente maior que a amplitude de fase desejada; não faz sentido exigir que o pico CA seja maior que a tensão DC.
(Além disso, técnicas de modulação avançada podem aumentar o alcance até certo ponto, mas nunca invertendo essa relação fundamental.)
III — “O inversor pode fornecer potência não ativa, proveniente de reativos e harmônicos, para o sistema CA.” → VERDADEIRA
O inversor, por controle, consegue injetar ou absorver potência reativa (ajustando o deslocamento de fase entre tensão e corrente injetadas) — logo pode fornecer potência não ativa reativa ao sistema. Além disso, devido ao comutamento e à forma de onda sintetizada, o inversor também pode injetar componentes harmônicos (potência associada a harmônicos), que são forma de potência não ativa. Portanto é correto dizer que o inversor pode fornecer potência não ativa (reativa e harmônica) ao sistema CA.
Portanto, apenas a afirmativa III está correta
✅ Resposta Correta: Letra C.









